Обратная связь
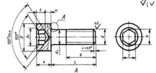
Винты с цилиндрической головкой и шестигранным углублением под ключ класса точности А
* Поля обязательные для заполнения
Полное описание продукта
Описание товара пока недоступно.