Обратная связь
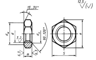
Гайки шестигранные низкие с уменьшенным размером "под ключ" класса точности А
* Поля обязательные для заполнения
Полное описание продукта
Описание товара пока недоступно.